Készüléktervezés

Szolgáltatási körünk magában foglalja:
  1. Koncepcióalkotás és elrendezési tervezés
  2. Előzetes méretezés és megvalósíthatósági vizsgálatok
  3. Részletes gépészeti tervezés és szilárdsági számítások (EN 13445, ASME stb.)
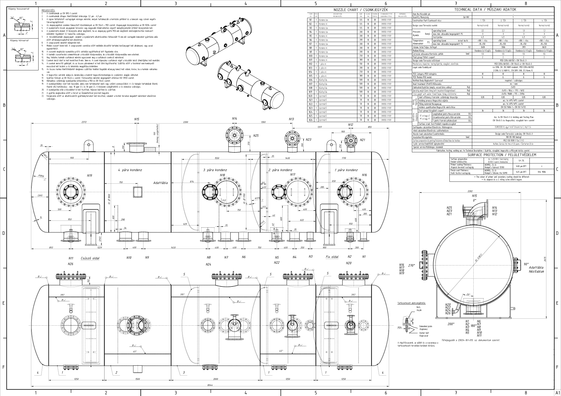
  4. Gyártási tervek, csonkjegyzék valamint tartószerkezeti megoldások
  5. Anyagválasztás, korróziós ráhagyás és hőszigetelési tervezés
  6. Gyártási és vizsgálati dokumentáció összeállítása
  7. Anyagjegyzékek (BOM) és anyagkimutatások (MTO) készítése
  8. Műszaki támogatás az anyagbeszerzéshez

Akár vegyipari, energetikai vagy élelmiszeripari alkalmazásról van szó, gondoskodunk róla, hogy minden nyomástartó berendezés megfeleljen a műszaki és üzemeltetési elvárásoknak — az első vázlattól a végleges gyártási tervig.

Főbb berendezéstípusok:

  1. Kolonnák
  2. Reaktorok
  3. Álló-és fekvőhengeres edények
  4. Szűrők, szeparátorok
  5. Atmoszférikus tárolótartályok

Kapcsolat

Címünk: 3591 Oszlár, Táncsics út 4.

Telefon: +36303648783 E-mail: enervo@enervo.hu